Overcoming Automotive Infotainment System Design Challenges Just Got Easier
Contributed By DigiKey's European Editors
2012-10-30
The AM/FM radio is still very popular in the United States. However, the days of the simple car radio have been supplanted with a new era of car infotainment systems. No longer can you turn a few knobs and view an analog display for information on the commute to and from work. Now we have at our fingertips a wealth of information and entertainment via the automotive infotainment system. Advancements such as touch screens, digital audio broadcasting (DAB), Bluetooth communication, digital and high-definition television (HDTV), satellite radio, integrated cell phones, CD/DVD/MP3 players, global positioning system (GPS) navigation, and video game systems have created a full-fledged entertainment center in the car.
At the heart of these infotainment systems is a complex microprocessor. There is a growing list of power efficient microprocessors from such suppliers as Freescale, Intel, ARM and others designed to provide low power consumption and high performance processing for a wide range of wireless, embedded and networking applications. The original intent of these products was to enable OEMs to develop smaller and more cost-effective portable handheld devices with long battery life, while simultaneously offering enhanced processing performance to run feature-rich multimedia applications. Recently, demand for this same combination of high power efficiency and processing performance has spread to non-portable applications. As a result, automotive infotainment systems and other embedded applications demand similar levels of power efficiency and processing horsepower as well. Nevertheless, in all cases, a highly specialized, high performance power management companion IC is required to properly control and monitor the microprocessor’s power system to ensure that all of the performance benefits of these processors can be realized.
Automotive PMIC challenges
Electronic systems design for automotive applications is challenging for many reasons, including the wide operating temperature range, strict EMC and transient requirements, as well as the high quality levels demanded by automotive OEMs. Starting with the wide operating temperature range, power management ICs are challenged on two fronts. First, power conversion - even when highly efficient - must dissipate some level of power. When several DC-DCs and LDO regulators are packed into a single device, the combined power dissipation can be significant, easily exceeding one Watt. Typical PMIC packages such as the 6 mm x 6 mm 40 pin QFN have a thermal resistance of 40°C/W, resulting in a junction temperature rise in excess of 40°C. When this is combined with the second challenge of a wide ambient operating temperature, the maximum junction temperature of the PMIC can often exceed 125°C. Even in body electronics, not under the hood, the ambient temperature inside a sealed plastic electronic control module can reach 95°C. Due to these temperature challenges, many PMICs rated for 85°C or even 125°C are not sufficient for sustained high temperature operation.
Another key to operating an integrated power management device in a high ambient temperature environment is that the device must monitor its own internal die temperature and report when the junction temperature is getting too high so that the system can make intelligent decisions on how to reduce power to the load. System software can do this by turning off less critical functions or by reducing performance in processors and other high power functions such as displays and network communication.
Today, the environment within a car’s dashboard is crowded with electronics. It may also be crowded with radios from Bluetooth to cell phone-based network connectivity. Therefore, it is important that new entries to this thermally constrained environment not produce excessive heat or EMI. There are strict Electromagnetic Compatibility (EMC) requirements that cover radiated and conducted emissions, radiated and conducted immunity or susceptibility and Electrostatic Discharge (ESD). Being able to conform to all of these requirements affects many performance aspects of a PMIC design. Some are straightforward, such as the fact that DC-DC switching regulators must operate at a fixed frequency well outside of the AM radio band. However, another common radiated emission source found in DC-DC converters comes from the switching edge rate of its internal power FETs.
Many of today’s embedded systems and advanced processors require controlled and choreographed sequencing as power supplies are started and applied to various circuits. Allowing for system flexibility and a simple approach to sequencing not only makes the system design easier, but it also ensures system reliability and allows for a single PMIC to handle a broader range of the system than just a specific processor’s requirements.
In summary, the main challenges facing the automotive infotainment system designer include the following:
- Balancing power dissipation with the high level of integration of multiple switching regulators and LDOs
- Monitoring junction temperature
- Immunity to radiated and conducted emissions
- Large voltage transients and temperature extremes
- Managing power sequencing
- Minimizing solution size and footprint
A simple solution
Historically, many of the existing PMICs have not possessed the necessary power to handle these modern systems and microprocessors. Any solution to satisfy the automotive power management IC design constraints outlined above must combine a high level of integration, including high-current switching regulators and LDOs, wide temperature range of operation, power sequencing and dynamic I2C control of key parameters with hard-to-do functional blocks such as buck-boost regulators. Furthermore, a device with high switching frequency reduces the size of external components and ceramic capacitors reduce output ripple. Such an IC must also be capable of meeting the rigorous automotive environment including radiated emission suppression, although the input voltage is typically pre-regulated from the system or battery voltage.
A high power PMIC for today’s infotainment systems
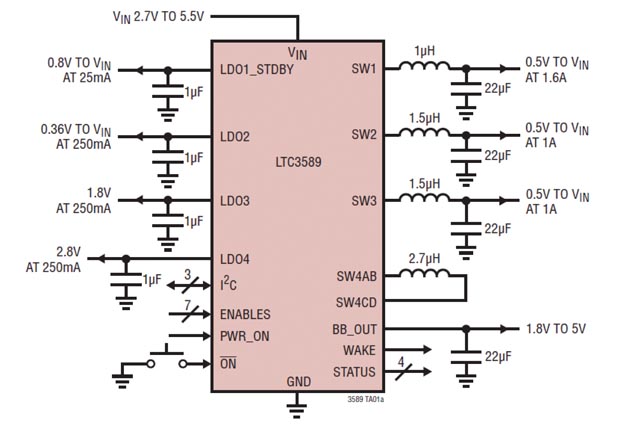
The LTC®3589-1 and -2 are complete power management solutions for ARM-based processors and advanced portable microprocessor systems. These devices contain three synchronous step-down DC-DC converters for core, memory and SoC rails, a synchronous buck-boost regulator for I/O, and three 250 mA LDO regulators for low noise analog supplies (see Figure 1). An I2C serial port is used to control regulator enables, output voltage levels, dynamic voltage scaling and slew rate, operating modes and status reporting. Regulator start-up is sequenced by connecting regulator outputs to enable pins in the desired order or via the I2C port. System power-on, power-off and reset functions are controlled by a pushbutton interface, pin inputs, or I2C interface. Voltage monitors and active discharge circuits guarantee a clean power-down before the next enable sequence plus selected regulators can be exempt from pushbutton control for supplies, such as memory, when it must be kept alive during a standby mode. The LTC3589 supports i.MX, PXA and OMAP processors with eight independent rails at appropriate power levels with dynamic control and sequencing. Other features include interface signals such as the VSTB pin that toggles between programmed run and standby output voltages on up to four rails simultaneously. The device is available in a low profile 40-pin 6 mm × 6 mm exposed pad QFN package.

The LTC3589 can solve the automotive infotainment system design challenges outlined above. The LTC3589HUJ PMIC is available in a high temperature (H-Grade) option with a junction temperature rating from -40°C to +150°C, easily satisfying the high temperature automotive operating requirement. The IC includes a thermal warning flag and interrupt specifically for junction temperature monitoring and also includes a hard thermal shutdown for reliable protection of the hardware should power dissipation be mismanaged or in the event of a severe fault condition.
The LTC3589 PWM switching frequency is specifically trimmed to 2.25 MHz with a guaranteed range of 1.8 MHz to 2.6 MHz. The regulators can also be set to a forced continuous PWM operating mode to prevent operation in pulse skip or Burst Mode® operation even at light loads. This not only keeps the frequency fixed but also reduces voltage ripple on the DC-DC output capacitors.
Suppressing radiated & conducted emissions
The LTC3589 includes a special feature which allows the user to slow down the switching edge rates specifically to reduce radiation. The edge rate can be selected to both pass emission requirements and still minimize switching losses, which helps to optimize power converter efficiency. Each of the three buck switching regulators in the LTC3589 includes this edge rate control.
Further, there are four switching regulators onboard the IC and the associated reactive devices to be concerned about. One possible solution is to shield the LTC3589 area to prevent EMI from being emitted. Besides being expensive and heavy, this does not solve the problem of contamination by any wires that might be connected to the power supply area. It is better to use source suppression and antenna elimination.
Source suppression uses layout/component selection to prevent the generation of radio frequency energy. It is necessary to use shielded inductors and to place those inductors further away from the LTC3589 than the output capacitors. This is because the AC currents circulate from the LTC3589 through the inductor through the output capacitor to ground and back to the LTC3589. From this it is also clear that wide traces, preferably area fill, be used to connect the ground of the output capacitors to the ground of the LTC3589 and to the ground of the PVIN input decoupling capacitors also.
The LTC3589 also provides some tools for source suppression. The slew rate of the switch on the buck regulators can be adjusted, via I2C, from 1 ns to 8 ns. Since the buck regulators are synchronous, both the fall and the rise time are then controlled. Figure 2 shows a plot of switching with 1 ns rise and fall times:

Figure 3 is a plot of switching with 8 ns rise and fall times:

It can be seen that the ringing at the transitions is greatly reduced for the 8 ns transition time.
In addition to switching time control, the LTC3589 offers some other EMI suppression tools. The frequency of the buck regulators can be changed from 2.25 MHz to 1.125 MHz. Also, to minimize the input ripple, which can end up radiating through the power input wiring, the buck regulators can be staggered between two different phase clocks.
The LTC3589 is capable of providing considerable power, in excess of 10 W. This can result in substantial circulating currents so it is imperative to provide an uninterrupted path for this current to circulate. In particular, slots in the ground plane, which force the large circulating currents to flow around them, create slot antennas. Other obstacles, such as changing layers, contribute some energy to the EMI signature and should be minimized. Ideally the top and bottom layers should be all or mostly ground plane, with the signal layers flowing internally. This is usually not practical, so some thought should go into how the ground plane will be connected prior to commencing layout. For example, it is not a good idea to put the LTC3589 into a corner or tab on the PCB. This will make it very difficult to properly route the ground plane. Also, it is a good idea to route the high circulating current areas of the LTC3589 first, to ensure the most optimum layout possible.
If EMI control is planned and executed with the concepts of source suppression and antenna elimination in mind, it is possible to create a full power system that is a good EMI neighbor without increasing product cost or weight.
Other key features
The LTC3589 fully satisfies the automotive ESD requirements of the 4 kV HBM, the 200 V MM, and the 1.5 kV CDM, which is another key requirement for approaching zero defects in the automotive assembly process. Further, the IC has very low standby current consumption, typically 9 uA, which is desired in automotive navigation, security and safety systems that must maintain continuous power to real time clock circuits for temporal awareness.
Finally, the LTC3589 supports simple and effective power sequencing which can be handled through serial communications or via pin strapping where power supply output voltages are tied to enable pins in the desired sequence. Internally, each enable is delayed 200 µs to further time stagger the startup sequence. This feature is supported with precision low voltage enable thresholds so the sequencing is possible with supply voltages as low as 0.55 V. Each supply voltage output is also soft-started to limit inrush current and produce clean voltage transitions. Each regulator output includes an internal pull-down resistor that is engaged when disabled to guarantee a controlled discharge and a low starting point for the next turn-on sequence. See Figure 4.

Conclusion
Today’s automobile has advanced significantly from your father’s car of yesteryear. Simple AM/FM radios have given way to modern technological advancements such as satellite radio, touch screens, navigation systems, Bluetooth, HDTV, integrated cell phones, media players, and video game systems. Further, by replacing discrete power IC components or traditional large overly-integrated PMICs (i.e. with audio, codecs, etc.), a system designer can use a new generation of compact PMICs that integrate key power management functions for a new level of performance with smaller and simpler solutions. High performance mobile processors typically have a unique set of power supply requirements, including multiple high current and low noise rails, programmable sequencing and dynamic I2C adjustment. These high-end processors were originally developed for handheld applications but are now being implemented in non-portable and embedded systems such as automotive infotainment.
New products like the LTC3589-1 and -2 PMICs from Linear Technology enable system designers to exploit the full power savings and performance benefits of new processors from Freescale, Marvell, Samsung and others across an ever-growing range of applications. The LTC3589 solves many of the traditional problems associated with automotive infotainment system design, thus enhancing the modern automotive experience.
Disclaimer: The opinions, beliefs, and viewpoints expressed by the various authors and/or forum participants on this website do not necessarily reflect the opinions, beliefs, and viewpoints of DigiKey or official policies of DigiKey.
